|
Resonance frequency (Hz) |
15,000< |
|
Frequency range (Hz) |
fc~5,000 ±1dB ※ |
|
Charge sensitivity pC/(m/s2) |
1,000 |
|
Capacitance (pF) |
2,200 |
|
Allowable Acceleration(m/s2) |
3,000 |
|
Ambient temp. (℃) |
-20~+120 |
|
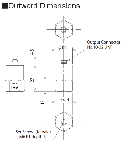
Cable connection |
Top-upright 10-32 Screw connector |
|
Mass (g) |
35 |
|
Material |
Stainless steel(SUS303) |
※fc: To be defined by the time constant of amplifier

Hiện tại chưa có ý kiến đánh giá nào về sản phẩm. Hãy là người đầu tiên chia sẻ cảm nhận của bạn.