a. Dụng cụ và thiết bị thử:
b. Chuẩn bị mẫu thử:
*Chế tạo vữa
+ Thành phần của vữa:
+ Trộn vữa:
*Chế tạo mẫu thử
+ Hình dáng và kích thước
+ Đúc mẫu
*Bảo dưỡng mẫu thử
*Tháo dỡ ván khuôn
Đối với các phép thử 24 giờ, việc tháo dỡ khuôn mẫu không được quá 20 phút trước khi mẫu được thử.
Đối với các phép thử có tuổi mẫu thời gian lớn hơn 24 giờ, việc tháo dỡ khuôn tiến hành từ 20 giờ đến 24 giờ sau khi đổ khuôn.
Việc tháo dỡ khuôn phải hết sức thận trọng để tránh sứt vỡ mẫu.
*Bảo dưỡng trong nước
Các mẫu đã đánh dấu được nhận chìm ngay trong nước (để nằm ngang hoặc thẳng đứng, tuỳ theo cách nào thuận tiện) ở nhiệt độ 27± 2oC trong các bể chứa thích hợp. Nếu ngâm mẫu nằm ngang thì để các mặt thẳng đứng theo đúng hướng thẳng đứng và mặt gạt vữa lên trên.
Đặt mẫu lên lưới không bị ăn mòn và cách xa nhau sao cho nước có thể vào được cả 6 mặt mẫu. Trong suốt thời gian ngâm mẫu, không lúc nào khoảng cách giữa các mẫu hay độ sâu của nước trên bề mặt mẫu lại nhỏ hơn 5mm.
Ở mỗi bề mặt chứa, chỉ ngâm những mẫu xi măng cùng thành phần hoá học.
Dùng nước máy để đổ đầy bể lần đầu và thỉnh thoảng thêm nước để giữ cho mực nước không thay đổi. Trong thời gian ngâm mẫu không cho phép thay hết nước.
Lấy mẫu cần thử ở bất kì tuổi nào (ngoài 24 giờ hoặc 48 giờ khi tháo khuôn muộn) ra khỏi nước không được quá 15 phút trước khi tiến hành thử. Dùng vải ẩm phủ lên mẫu cho tới khi thử.
*Quy định chung
Dùng phương pháp tải trọng tập trung để xác định độ bền uốn.
Nửa lăng trụ gẫy sau khi thử uốn được đem thử nén lên mặt bên phía tiếp xúc với thành khuôn với diện tích 40mmx40mm.
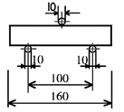
*Xác định độ bền uốn

Hình 1-2: Sơ đồ đặt mẫu xi măng khi uốn
Tiến hành thử theo trình tự sau:
*Xác định độ bền nén:
Tiến hành thử theo trình tự sau:

Hình 1-3: Sơ đồ đặt mẫu xi măng khi nén
Tính cường độ chịu uốn, Ru, (N/mm2) theo công thức sau:

Trong đó:
Tính cường độ chịu uốn trung bình của của 3 mẫu.
Lập bảng kết quả thí nghiệm cường độ chịu uốn của xi măng theo mẫu bảng 1-10
| Thứ tự mẫu uốn | Lực uốn gãy mẫu | Cường độ chịu uốn của mẫu Ru, (N/mm2) | Cường độ chịu uốn trung bình (N/mm2) |
| 1 | |||
| 2 | |||
| 3 |
Tính cường độ chịu nén, Rn (N/mm2) theo công thức:

Trong đó:
Lập bảng kết quả thí nghiệm cường độ chịu nén của xi măng theo mẫu bảng 1-11.
| Thứ tự mẫu nén | Lực nén vỡ mẫu | Cường độ chịu nén của mẫu Rn, (N/mm2) | Cường độ chịu nén trung bình (N/mm2) |
| 1 | |||
| 2 | |||
| 3 | |||
| 4 | |||
| 5 | |||
| 6 |