Application
1. In the case of distance between a measurement instrument and a charge-type pickup.
*Adopting Commercially available coaxial cable enable cost reduction and high noise-resistance.
2. Usable when measurement spot is high temperature and unable to use the pickup with built-in pre-amplifier.
3. For use with charge type accelerometer and FFT analyzer equipped with a constant current supplier.

|
Resonance frequency (Hz) |
35,000< |
|
Frequency range (Hz) |
10~8,000 |
|
Voltage sensitivity mV/(m/s2) |
10 ±10% |
|
Max.measurable Accel. (m/s2) |
300 |
|
Power Supply |
0.5~10mA Const. current, Voltage15~36V |
|
Ambient temp. (℃) |
-50~+110 |
|
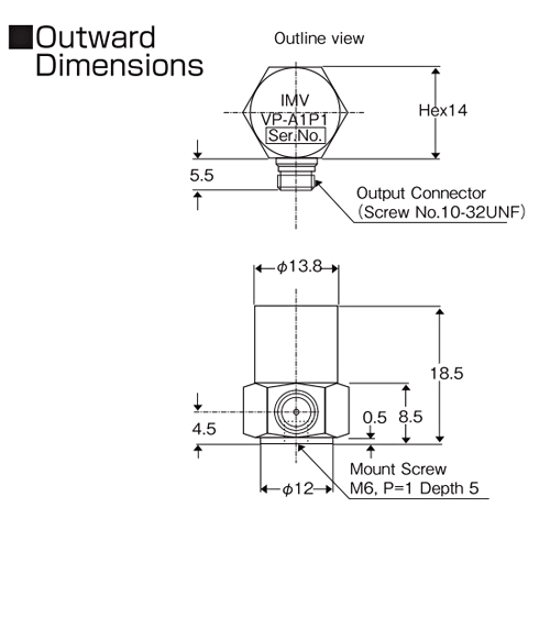
Cable connection |
10-32 Threaded connector |
|
Mass |
Approx.10 |
|
Material |
Titanium |

Hiện tại chưa có ý kiến đánh giá nào về sản phẩm. Hãy là người đầu tiên chia sẻ cảm nhận của bạn.